THA-E2-3020 Держатель VDI для расточных резцов
Характеристики товара
Наличие товара:
Нет в наличии
Ориентировочная дата поступления на склад:
31.12.2025
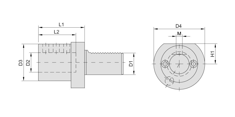
Размер резьбы:
M8x20
D1, мм:
30
L1, мм:
60
h1, мм:
28
L2, мм:
54
Тип охлаждения:
Внешнее
L3, мм:
22
D3, мм:
55
D4, мм:
68
Форма блока:
E2
Размер VDI, мм:
30
D2, мм:
20
Диаметр посадочного отверстия, мм:
20
5 031
₽
Инструментальный блок VDI THA-E2-3020-ZA используется для фиксации расчтоных державок. Размер VDI: 30 мм. Диаметр посадочного отверстия: 20 мм. Хвостовик стандарта DIN 69880 обеспечивает надежную фиксацию держателя VDI в револьверной головке станка.
