Производитель твердосплавного режущего инструмента

slider0

Полезные статьи

Читать все статьи

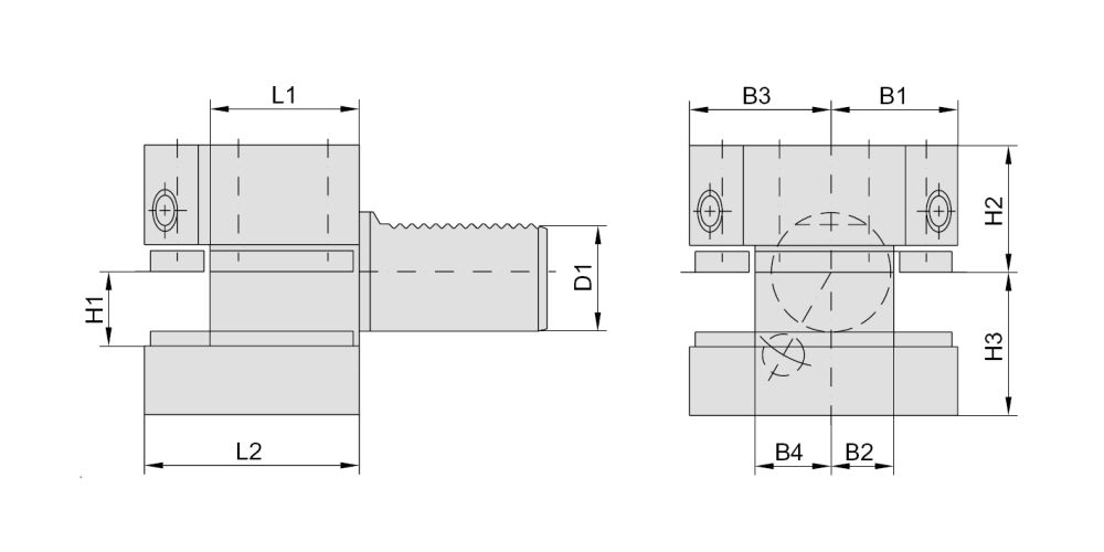
THA-D1-402572 Держатель VDI для инструмента универсальный

Характеристики товара

Ориентировочная дата поступления на склад:
31.12.2025
D1, мм:
40
Исполнение:
Правое
L1, мм:
50
h1, мм:
25/20
h2, мм:
32.5
B1, мм:
42.5
L2, мм:
72
Тип охлаждения:
Внешнее
Форма блока:
D1
Размер VDI, мм:
40
Макс./мин. сечение державки, мм:
25/20
B2, мм:
21
B3, мм:
47.5
H3, мм:
48
B4, мм:
25.5
10 063
+
Инструментальный блок THA-D1-402572-ZA используется для фиксации токарных державок (резцов) и применяется для наружной обработки. Конструктивное исполнение держателя D1: универсальное (многопозиционное), основная опорная поверхность расположена ниже оси вращения шпинделя. Размер VDI: 40 мм. Макс./мин. сечение подходящего резца (H1): 25/20 мм.
0.27 с